AV系列微动开关
枢轴短手柄型AV-161-1C25
特征 Characteristics
从10A到21A,种类丰富、式样齐全
符合SNAP Action 组织之寿命长操作用开关要求
备有热可塑性和热硬化性两种壳体
可使用于门开闭时电流遮断等用途上
Range from 10A to 21A, abundant of kinds stylesare all in readiness.
Conform to the demands which long-time Operation of SNAP Action Organize.
Has two shells with the characters of plasticity and hot-hardening.
Can be used to the way of shut off the electric current when the door open or closed.
额定值 Rated number
| 规格 Specification | 额定电压 Rated voltage | 非电感性负载 Nonelectrical carry | 电感性负载(A) Electrical carry | ||||||
| 电阻性负载 Resistance oarry | 灯泡负载 Bulb carry | 电感性负载 Electrical carry | 马达负载 Motor carry | ||||||
| NC | NO | NC | NO | NC | NO | NC | NO | ||
| 21A | AC 250 | 21 | 3 | 12 | 7 | ||||
| DC 8 30 125 250 | 21 14 0.6 0.3 | 5 5 0.1 0.05 | 12 12 0.6 0.3 | 7 5 0.1 0.05 | |||||
| 16A | AC 250 | 16 | 2 | 10 | 3 | ||||
| DC 8 30 125 250 | 16 10 0.6 0.3 | 4 4 0.1 0.05 | 10 10 0.6 0.3 | 6 4 0.1 0.05 | |||||
| 15A | AC 250 | 15 | 2 | 10 | 3 | ||||
| DC 8 30 125 250 | 15 10 0.6 0.3 | 4 4 0.1 0.05 | 10 10 0.6 0.3 | 6 4 0.1 0.05 | |||||
| 11A | AC 250 | 11 | 1.5 | 6 | 2 | ||||
| DC 8 30 125 250 | 11 6 0.6 0.3 | 3 3 0.1 0.05 | 6 6 0.6 0.3 | 3 3 0.1 0.05 | |||||
| 10A | AC 250 | 10 | 1.5 | 6 | 2 | ||||
| DC 8 30 125 250 | 10 6 0.6 0.3 | 3 3 30.1 0.05 | 6 6 0.6 0.3 | 3 | |||||
特性 Characteristics
| 操作速度 Operation speed | 0.1mm至1m/S(按钮型) 0.1mm to 1m/Sec |
| 动作频率 Action frequency | 机械:600次/分 电气:60次/分 Mechanically:600 times/minute Electically:60 times/Minute |
| 接点电阻 Contact resistance | 15MΩ以下(初期) Under 15mΩ(initial) |
| 绝缘电阻 Insulation resistance | 100MΩ以上(在500VDC) 100mΩ above (at 500VDC) |
| 耐电压 Bearing voltage | 非连续端子间1,000VAC,50/60Hz持续1分钟 载电流与无载电流零件间与端子和接地之间1,500VAC,50/60Hz持续1分钟 Non-contact end:1,000VAC,50/60Hz for one minute Current parts and noncurrent parts and end and connect position :1,500VAC,50/60Hz for one minute |
| 振动 Vibration | 10至55HZ 复振幅误动作:1.5mm 10 to 55HZ:1.5mm pairs swing action |
| 冲击 Hitting | 机械耐久:400m/Sec2(约40G,S) 误动作耐久:100m/Sec2(约10G,S) Machine:400m/Sec2(about 40G,S) Action:100m/Sec2(about 10G,S) |
| 周围温度 Ambient temperature | -25℃至 +80℃ -25℃ to +80℃ |
| 湿度 Humidity | 85% RH 以下 Below 85% RH |
| 使用寿命 Serve life | 机械:5,000,000次以上(在额定OT值下) 电气:100,000次以上 Mechanically:5,000,000 times above(at rated ot) Electrically:100,000 times above |
| 重量 Weight | 约6.2g(按钮型) About 6.2g |
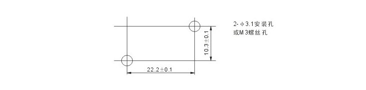
安装孔加工尺寸 The Processing Installment hole Methods
安装时请用M3螺丝及杯口垫圈,弹簧垫圈坚牢地安装,锁紧扭力请在0.39~0.59N.m{4~6kgf.cm}
Please use the M3 Screw and Cup mouth Gasket and the spring Gasket should be Installed firmly, and please lock tightly.at the range from 0.39~0.59N.m{4~6kgf.cm}

注意事项 Matters needing attention
1 开关请注意不要掉落,属于低负荷量专用开关,恐造成内部机构的破损。
2 附专动轴规格者,安装时请勿将传动轴本体重量加在开关的方向。
3 高温下请勿使用,外壳使用热可塑性树脂做成,在高温下可能会使其变形损坏。
1 Please do not fall when opened or closed,for it belong to low load switch,Feared that causes the Damages of inside.
2 Attaches the Special moving axis,when it is Installed,forbid putting the weight in Special moving axis.
3 Do not use when the temperature is high.