AWL系列行程开关
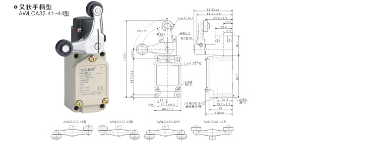
叉状手柄型AWLCA32-41-44型

特征 Characteristics
双回路型限动开关,用途广泛
具坚固之一体铸造铝合金外壳
高机械强度
具耐油、防水和防压结构
因装有设定位置指示板,故维护容易
引动器种类多,方便使用
内藏接点座有双簧片设计,机械寿命长
Double-circuit limit switch,is widely used
Firm aluminum alloy enclosure
High mechanical strength
Structure preventing oil,water and pressure
Indicating plate with setting position is installed
in it,so it is easy to maintain
Kinds of actuators is taken convenience for using
Built-in contact stand has double-reed,so it has long
mechanical life
接点型式 Contact way
额定值 Rated number
| 额定电压 Rated voltage | 非电感性负载 Nonelectrical carry | 电感性负载(A) Electrical carry | ||||||
| 电阻性负载 Resistance oarry | 灯泡负载 Bulb carry | 电感性负载 Electrical carry | 马达负载 Motor carry | |||||
| NC | NO | NC | NO | NC | NO | NC | NO | |
| 125VAC 250VAC 480VAC 600VAC | 10 5 3 1 | 3 2 1.5 1 | 1.5 1 0.8 0.5 | 10 5 3 1.5 | 5 3 1.5 1 | 2.0 1 0.8 0.5 | ||
| 8VDC 14VDC 30VDC 125VDC 250VDC | 10 10 6 0.8 0.4 | 6 6 4 0.2 0.1 | 3 3 3 0.2 0.1 | 10 10 6 0.8 0.4 | 6 6 4 0.2 0.1 | |||
注:1、电感性负载:功率因素=0.4,时间常数=7msec。
2、灯泡负载之突入电流为稳定状态之10倍。马达负载之突入电流为稳定状态电流之6倍。
Remarks:1.Electrical carry:power factor=0.4.time constant= 7 msec.
2.The Bulb carry current is 10 times as than in stable condition. Motorcarry current is 6 times as than in stable condition.
特性 Characteristics
| 操作速度 Operation speed | 1mm至2m/S(AWLCA2型) , 1mm to 2m/S |
| 动作频率 Action frequency | 机械:120次/分 电气:30次/分 , Mechanically:120 times/minute Electically:30 times/Minute |
| 接点电阻 Contact resistance | 15MΩ以下(初期) Under 15mΩ(initial) |
| 绝缘电阻 Insulation resistance | 100MΩ以上(500VDC) 100mΩ above (at 500VDC) |
| 耐电压 Bearing voltage | 非连续端子间1,000VAC,50/60Hz持续1分钟 载电流与无载电流零件间与端子和接地之间2,200VAC,50/60Hz持续1分钟 Non-contact end:1,000VAC,50/60Hz for one minute Current parts and noncurrent parts and end and connect position :2,200VAC,50/60Hz for one minute |
| 振动 Vibration | 误动作耐久:10至55Hz,1.5mm双振幅 , Action:10 to 55Hz,1.5mm pairs swing |
| 冲击 Hitting | 机械耐久:1,000m/Sec2(约100G,S) 误动作耐久:300m/Sec2(约30G,S) Machine:1,000m/Sec2(about 100G,S) Action:300m/Sec2(about 30G,S) |
| 周围温度 Ambient temperature | 使用时:-10 至 +80℃ |
| 湿度 Humidity | 最大95%RH , Max 95% RH |
| 使用寿命 Serve life | 机械:15,000,000次以上(在额定OT值下) 电气:500,000次以上 Mechanically:15,000,000 times above(at rated ot) Electrically:500,000 times above |
| 重量 Weight | 约275g(AWLCA2-2) , About 275g |
| 防护等级 Protection structure | IEC 规格:IP67 , IEC specification:IP67 |
动作特性 Action characteristics
| 型号Models | AWLCA2-2 | AWLD2 | AWLNJ | AWLNJ-S2 | AWLCA12 | AWLCL | AWLCA32-41 | AWLD | AWLNJ-2 | AWLNJ-30 | AWLD1 | AWLD3 |
| OF 最大(Max.) | 1360g | 2720g | 150g | 29g | 1360g | 142g | 1200g | 2720g | 120g | 80g | 2720g | 2720g |
| RF 最小(Min.) | 227g | 910g | - | - | 227g | 28g | - | 910g | - | - | 910g | 910g |
| PT 最大(Max.) | 20° | 1.7mm | 28mm | 28mm | 20° | 20° | 55° | 1.7mm | 28mm | 28mm | 1.7mm | 1.7mm |
| OT 最小(Min.) | 30° | 5.6mm | - | - | 30° | 30° | 35° | 6.4mm | - | - | 5.6mm | 5.6mm |
| MD 最大(Max.) | 12° | 1mm | - | - | 12° | 12° | - | 1mm | - | - | 1mm | 1mm |
| TF 最大(Max.) | 2720g | - | - | - | 2720g | 200g | - | - | - | - | 2720g | 2720g |
| TT最小(Min.) | 50° | 6.5±0.8mm | - | - | 50° | 50° | OP:90±10° | OP:34±2.8mm | - | - | 6.5±0.8mm | 9±0.8mm |
电性寿命图 Electrical life
电气寿命曲线(Cosφ=1)
(环境温度5~30℃、环境湿度40~70%RH)

大角度型
动作后移动大,易设定凸爪的限动开关。
大角度型除了一般型、高感度型之外,尚有可单侧动作90°的-2N系列。
-2N系列可侧面安装。
由于和标准型的主要尺寸相同,具有安装的互换性。
与标准型同样具有耐油、防水、防尘构造(IP67)。
大角度型
一般型、高感度型 -2N系列

·头部方向为四方向可安装 ·头部可前后双向安装
·单侧手柄80°动作不可单侧动作 ·单侧手柄90°动作可以单侧动作
